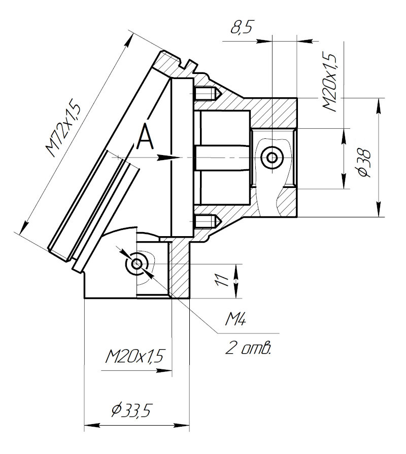
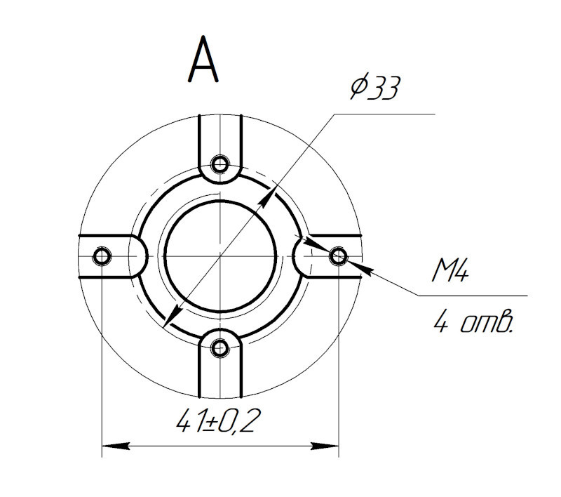
Головки датчиков температуры
По отдельной заявке в головки датчиков температуры устанавливаются пластмассовые клеммные элементы (Т° до 200°С), в соответствии с таблицей.
По отдельной заявке в головки датчиков температуры устанавливаются пластмассовые клеммные элементы (Т° до 200°С), в соответствии с таблицей.
|
Тип головки |
Материал |
Рисунок |
|
|
0 |
Стеклонаполненный полиамид (Т° до 200°С) Клеммный элемент выполнен совместно с корпусом |
|
|
|
Конструктивное исполнение |
Количество штырьков | ||
|
-00 |
3 | ||
|
-01 |
4 | ||
|
-02 |
2 | ||
|
1 |
Стеклонаполненный полиамид (Т° до 200°С) Клеммный элемент выполнен совместно с корпусом |
|
|
|
Конструктивное исполнение |
Количество штырьков | ||
|
-00 |
4 | ||
|
-01 |
3 | ||
|
-02 |
2 | ||
|
7 |
Нержавеющая сталь
|
|
|
| 8 | Нержавеющая сталь | ![]() |
|
|
9 |
Нержавеющая сталь |
|
|
|
ВР4-1 |
Алюминий |
|
|
|
BP-5F |
Алюминий |
|
|
ПРИМЕР ЗАПИСИ ПРИ ЗАКАЗЕ:
«Головка Х - Y - Z»
Х - тип головки (0...9);
Y - конструктивное исполенние (для типа головки 0) или размер присоединяемой трубы;
Y - тип клеммного элемента, выбирается в соответствии с таблицей, для типа головки 1...9;
Z - количество штырьков клеммного элемента, выбирается в соответствии с таблицей, для типа головки 1...9


















